欢迎来到上海J9国际直营 继保科技有限公司官方网站!
微信号
服务热线
139-1822-4686
产品中心
微机保护装置
CG200微机保护测控装置
|
CGS700系列微机保护装置
|
CG100微机保护装置
|
光伏二次设备
光伏故障解列装置
|
A类电能质量在线监测装置
|
B类电能质量在线监测装置
|
光伏并网断路器
|
逆功率防逆流保护装置
|
光伏并网柜
|
光伏防孤岛保护装置
|
电力仪表
多功能电力仪表
|
智能操控装置
开关柜智能操控装置
|
开关状态显示仪
开关状态显示仪
|
高压负荷开关
FKN12-12D负荷开关
|
FKN12A-12D负荷开关
|
FZN25A-12负荷开关
|
J9国际直营
光伏二次设备
微机保护装置
多功能电力仪表
资料下载
关于J9国际直营
联系我们
J9国际直营
产品中心
微机保护装置
光伏二次设备
电力仪表
智能操控装置
开关状态显示仪
高压负荷开关
资料下载
资讯动态
关于J9国际直营
联系方式
J9国际直营
>
产品中心
>
光伏二次设备
产品目录
微机保护装置
光伏二次设备
电力仪表
智能操控装置
开关状态显示仪
高压负荷开关
联系我们
139-1822-4686
2522692144@qq.com
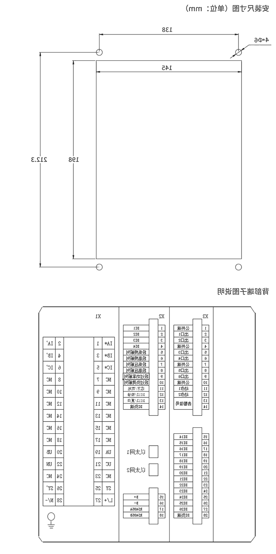
光伏故障解列装置
所属类别:光伏二次设备
光伏故障解列装置是一种专门应用于光伏系统的故障解列装置。由于光伏系统通常与公众电网配电系统一起并网供电,当光伏系统出现故障或异常情况时,为了避免对电网造成危害,需要迅速切断与故障相关的部分。故障解列装置的主要功能包括检测光伏系统的运行状态,监测电网的电压、电流、频率等参数,当检测到异常时,自动切断光伏系统与电网之间的连接,防止故障扩散和对电网造成更大的危害。
产品介绍
在线询价
主题:
称呼:
*电话:
邮箱:
公司:
备注:
*验证码:
随机产品
A类电能质量在线监测装置
B类电能质量在线监测装置
FZN25A-12负荷开关
2522692144
联系电话
139-1822-4686
联系我们
微信扫一扫
返回顶部